 
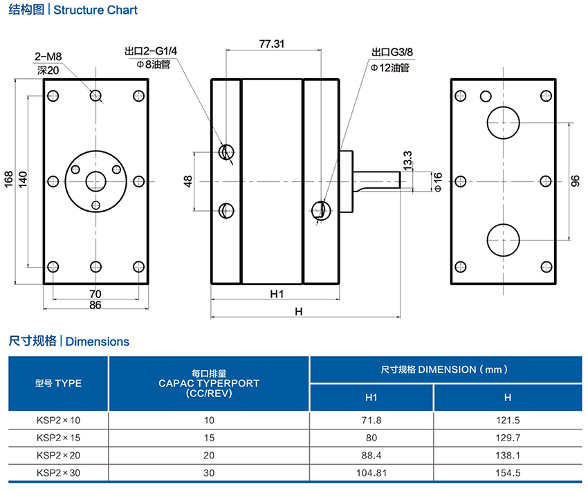
技術參數 | Technical Parameter 主要用途:絲束上油 進口數:1 出口數:2 出口壓力:0.1MPa 工作轉速:10-60rpm 工作溫度:≤80℃ Main application:feeding fule oil to fibers Number of inlet ports:1 Number of outlet ports:2 Outlet pressure:0.1MPa Speed range:10-60rpm Operatin temperature:≤80℃
陝西克萊特精密機械有限公司專業生產銷售:熔融紡絲計量泵、丙綸計量泵,滌綸計量泵,氨綸泵、化纖泵、熔體增壓輸送泵、油劑泵、聚合泵、釜底泵、熱處理等,產品廣泛用於紡丙綸、滌綸、錦綸、氨綸、紡粘無紡布、醋酸纖維等。
|
|